分类
无源电磁式蜂鸣器也是一种电子蜂鸣器,它通常由一个电磁铁、一个电容器、一个变压器和一个扬声器组成。与有源电磁式蜂鸣器不同的是,无源电磁式蜂鸣器没有电源电极,它需要依靠安装时提供的电池或电源插座提供电力。
无源电磁式蜂鸣器具有无源、节能、简单生产工艺等特点,它们的发声特性优异,可以生产出比较强大的声音,且发声低频,音调比较稳定,可靠性高,而且不易受因环境变温而产生的影响而变调,具有长期稳定发声的特点。
无源电磁式蜂鸣器的工作原理是,当输入电压的波形发生变化时,会产生一种电磁磁场,使发声构件产生不同特征的振动,这样就形成了声音信号,由此产生了一种低频音调,实现了无源电磁式蜂鸣器发声的功能。
无源电磁式蜂鸣器通常用于各种电子设备和消费产品中,如家用电器、公共广播系统、玩具、实验仪器、移动电话、汽车电子系统、医疗设备等。此外,它们还可用于制造远程报警和报警系统、医药瓶装装置,以及电子闹钟、时钟、路标和火车前台。
规格参数: | |
额定电压 (Vo-p) | 3 |
工作电压 (Vo-p) | 2~5 |
额定电流 (mA) | MAX.80 |
声音输出在10cm (dBA) | MIN.85 |
电阻 (Ω) | 16±3 |
共振频率 (Hz) | 2731 |
工作温度 (℃) | -30~+70 |
储存温度 (℃) | -40~+80 |
外壳材料 | MPPO |
重量 (g) | 1.9 |
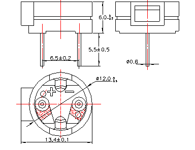
尺寸图:
